使用条件:
防护等级:IP55绝缘等级:B、F级额定频率:50Hz电压:380V、66OV、380V/660V工作制:S1
安装方式:卧式海拔高度:<1OO0m环境温度:一15℃一+40℃
空气相对湿度:≤95%(温度为25℃)
工厂具有引燃温度组别为Tl一T4组的可燃性气体或蒸气与空气形成的爆炸性混合物场所或存在有爆炸性粉尘的场所。
产品介绍:
YBZH系列户外隔爆型振动三相异步电动机(简称防爆型振动电机),其工作原理和通用型振动电机类似,是利用两端的偏心块高速旋转产生振动力作为振动源。该系列防爆振动电机具有设计合理、结构紧凑、激振效率高、节能、寿命长、运行可靠,安装调试方便等优点,主要用于煤矿、石油天然气、石油化工和化学工业.此外,在纺织、冶金、城市煤气、交通、粮油加工、造纸、医药等部门也被广泛应用。可作为振动料斗、振动筛、圆振筛、振动给料机、振动输送机的要求防爆环境工作振动源。
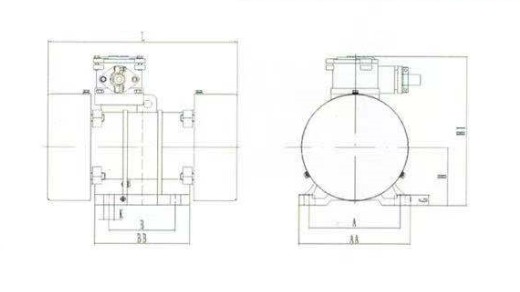
技术参数:

| 型号 | 激振力(KN) | 转速(r/min) | 功率(KW) | 电流(A) | 电压(V) | 安装尺寸(mm) | 外形尺寸(mm) | |||||||
| A | B | K | H | AA | BB | G | L | H1 | ||||||
YBZH112-2.5-2 | 2.5 | 2820 | 0.25 | 0.69 | 380 | 180 | 110 | 4-Φ14 | 112 | 220 | 160 | 18 | 348 | 327 |
YBZH112-5-2 | 5 | 2820 | 0.44 | 1.01 | 380 | 180 | 140 | 4-Φ18 | 112 | 220 | 190 | 18 | 388 | 327 |
YBZH112-8-2 | 8 | 2820 | 0.55 | 1.65 | 380 | 180 | 140 | 4-Φ18 | 112 | 220 | 190 | 18 | 388 | 327 |
YBZH112-10-2 | 10 | 2820 | 0.75 | 2.15 | 380 | 180 | 140 | 4-Φ18 | 112 | 220 | 190 | 18 | 388 | 327 |
YBZH112-2.5-4 | 2.5 | 1420 | 0.13 | 0.52 | 380 | 180 | 110 | 4-Φ14 | 112 | 220 | 160 | 18 | 348 | 327 |
YBZH112-5-4 | 5 | 1420 | 0.25 | 0.99 | 380 | 180 | 110 | 4-Φ14 | 112 | 220 | 160 | 18 | 348 | 327 |
YBZH125-16-2 | 16 | 2850 | 1.1 | 2.5 | 380 | 180 | 140 | 4-Φ18 | 125 | 220 | 190 | 20 | 388 | 340 |
YBZH125-8-4 | 8 | 1420 | 0.45 | 1.59 | 380 | 180 | 140 | 4-Φ18 | 125 | 220 | 190 | 20 | 388 | 340 |
YBZH125-10-4 | 10 | 1420 | 0.55 | 1.73 | 380 | 180 | 140 | 4-Φ18 | 125 | 220 | 190 | 20 | 388 | 340 |
YBZH125-2.5-6 | 3 | 950 | 0.2 | 0.84 | 380 | 180 | 140 | 4-Φ18 | 125 | 220 | 190 | 20 | 388 | 340 |
YBZH125-5-6 | 5 | 950 | 0.4 | 1.68 | 380 | 180 | 140 | 4-Φ18 | 125 | 220 | 190 | 20 | 388 | 340 |
YBZH125-8-6 | 8 | 960 | 0.55 | 1.84 | 380 | 180 | 140 | 4-Φ18 | 125 | 220 | 190 | 20 | 445 | 340 |
YBZH140-20-2 | 20 | 2850 | 1.5 | 3.3 | 380 | 220 | 160 | 4-Φ26 | 140 | 270 | 230 | 25 | 460 | 368 |
YBZH140-16-4 | 16 | 1420 | 0.75 | 2.1 | 380 | 220 | 160 | 4-Φ26 | 140 | 270 | 230 | 25 | 460 | 368 |
YBZH140-20-4 | 20 | 1420 | 1.1 | 2.7 | 380 | 220 | 160 | 4-Φ26 | 140 | 270 | 230 | 25 | 460 | 368 |
YBZH140-10-6 | 10 | 960 | 0.75 | 2.5 | 380 | 220 | 160 | 4-Φ26 | 140 | 270 | 230 | 25 | 460 | 368 |
YBZH170-30-2 | 30 | 2850 | 2.2 | 4.7 | 380 | 220 | 160 | 4-Φ29 | 170 | 270 | 230 | 25 | 480 | 395 |
YBZH170-30-4 | 30 | 1440 | 1.5 | 3.84 | 380 | 260 | 180 | 4-Φ29 | 170 | 270 | 260 | 25 | 510 | 395 |
YBZH170-16-6 | 16 | 960 | 1.1 | 3.37 | 380 | 260 | 180 | 4-Φ29 | 170 | 320 | 260 | 25 | 530 | 395 |
YBZH170-20-6 | 20 | 960 | 1.5 | 4.59 | 380 | 260 | 180 | 4-Φ29 | 170 | 320 | 260 | 25 | 530 | 395 |
YBZH200-30-6 | 30 | 960 | 2.2 | 6.5/3.7 | 380/660 | 320 | 200 | 4-Φ33 | 200 | 400 | 300 | 30 | 560 | 470 |
YBZH200-40-6 | 40 | 960 | 3 | 8.05/4.6 | 380/660 | 320 | 200 | 4-Φ33 | 200 | 400 | 300 | 30 | 560 | 470 |
YBZH200-50-4 | 50 | 1440 | 2.2 | 9.6/5.5 | 380/660 | 320 | 200 | 4-Φ33 | 200 | 400 | 300 | 30 | 560 | 470 |
YBZH225-50-6 | 50 | 960 | 3.7 | 9.6/5.5 | 380/660 | 370 | 200 | 4-Φ39 | 225 | 460 | 300 | 32 | 630 | 530 |