详细介绍:
特点与用途:
XZS系列旋振筛是在S49系列旋振筛的基础上,吸收国内外**技术,并采用**的加工工艺而设计的高精度筛分过滤机械,它是以立式振动电机或专用激振器为振动源,立式振动电机(或激振器)上、下端装有偏心重锤,可产生水平、垂直、倾斜的三次元运动,通过调节上、下偏心重锤的相位角,改变物料在筛面上的运动轨迹以达到筛分各种物料的目的。该产品适用于任何粉、粒、液的筛分和过滤的行业。广泛用于化工、医药粉、液、涂料、颜料、化妆品、油脂、树脂、陶瓷浆、粘土泥浆、生石灰、耐火材料粉末,冶金粉末、电磁粉末、研磨粉、果汁、饮料、食糖、食盐、味精、调料、奶粉、淀粉、面粉、米粉、碳粉、石墨粉、锰粉、碳酸锂、助溶剂、灭火剂以及环保行业的污水、废水处理的工艺过程中的筛分、过滤。
XZS系列旋振筛振动形式特殊,物料运动轨迹和振幅可调,满足不同工艺要求。任何颗粒、细粉、浆液均可筛分过滤;筛分效率高,既可概略分级,又可进行精细筛分或过滤;体积小、重量轻、安装移动方便;网架设计独特、换网容易,筛网寿命长、清洗方便、操作简单;全封闭,无粉尘溢散,有利于改善劳动条件;粗、细料自动分级排出,能实现自动化作业;出料口绕轴线360度任意设置,便于布置配套设备;耗能小,噪音低、满足节能、环保要求;保养简单,可单层或多层使用。
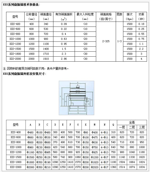
主要技术参数:
