产品类别:振动电机
YGD系列振动电机
YGD系列振动电机 YGD系列振动电机产品介绍:   YGD振动电机是在转子轴两端各安装一组可调偏心块,利用轴及偏心块高速旋转产生的离心力得到激振力。振动电机的激振力高、能耗小、噪音低、寿命长。是直线振动筛、振动给料机、振动给料斗、振动输送机等各种振动机械 理想的激振源,也是冶金、矿山、煤炭、建材、磨料、陶瓷、化工、粮食等工业部门的理想设备,并可用于各种料仓、料斗、溜槽的仓壁振动,以防止物料滞留,促使物料快速运动。有着极其广泛的应用范围。YGD振动电机主要特点:1.使用寿命长,只需定期维护轴承。2.因利用平稳的回转产生振动,噪声低。3.激振力与出力配合适当,机体质量轻、体积小。4.可多机组合成各种振动形式,以完成各种作业要求。5.全封闭结构,可在任何无防爆要求的粉尘条件下工作。 6.只需调节两端外侧的偏心块,使之与内侧偏心块形成一定的夹角,就可无级调整激振力。7.电机的设计可随需要做适当的调整,以适用于特殊的环境:660V或60HZ特殊电压及电源频率,气温极高或极低的工作场所、防尘防水要求较高的场所、地处海拔较高的场所等。YGD振动电机是机座联体电机,密封性能高于普通振动电机 YGD振动电机安装图: YGD振动电机技术参数 :型号激振力(KN)功率(kw)电流(A)振频(r/min)安装尺寸重量 KgE FGHILMNnφdYGD-1.5-21.50.120.36300013080198020024016411841213YGD-2.5-22.50.220.6613080198020024016411841214YGD-3-230.250.7515090219022025018512441420YGD-5-250.371.1115090219022027018512441421YGD-10-2100.752.251801102711223833522515541831YGD-15-2151.13.32201403212526537027219042247YGD-20-2201.54.52601504014032045234423442668YGD-30-2302.26.631017057170365505400270433107YGD-50-2503.711.135022052200425600450313439210YGD-1.0-410.090.27150013080198020024516411841213YGD-1.5-41.50.120.3613080198020024016411841216YGD-3-430.180.5415090219022026018512441422YGD-5-450.250.751801102711223833522515541832YGD-10-4100.551.652201403212526537027219042249YGD-15-4150.752.252601504214032045234423442676YGD-20-4201.13.32601504214032045234423442682YGD-30-4301.54.531017057170365505400270433117YGD-50-4502.26.635022033190425600450313433219YGD-75-4753.711.138025035220500670480350439360YGD-1.5-61.50.120.36100015090219022027018512441422YGD-3-630.250.751801102711223833522515541835YGD-5-650.371.112201403212526537027219042250YGD-10-6100.752.252601504214032045234423442682YGD-15-6151.13.331017057170365505400270433125YGD-20-6201.54.531017057170365505400270433130YGD-30-6302.26.635022033190425600450313439190YGD-40-6403935022035190425600450313439190YGD-50-6503.711.138025035210465670480350445300YGD-75-6755.516.544025035220500730480350445400YGD-100-61007.522.544028040240550750570450445420YGD-125-61258.525.544028040240550750570450445468YD振动电机的应用:1.       广泛应用于矿山、冶金、煤炭、建材、耐火材料、粮食等行业领域。2.       应用于旋振筛分机、振动混料机等等3.       适用于颗粒状的干式筛分及料浆过滤。4.       可广泛用陶瓷、石墨等行业制粉。5.       可供磨料化工等行业中的干式粉状筛分。 
全国服务热线:0373-3379887
售后无忧
厂家直销
服务支持
定制方案
YGD系列振动电机
行业新闻
YGD系列振动电机
行业新闻
产品介绍

YGD系列振动电机



 YGD系列振动电机产品介绍:
   YGD振动电机是在转子轴两端各安装一组可调偏心块,利用轴及偏心块高速旋转产生的离心力得到激振力。振动电机的激振力高、能耗小、噪音低、寿命长。是直线振动筛、振动给料机、振动给料斗、振动输送机等各种振动机械 理想的激振源,也是冶金、矿山、煤炭、建材、磨料、陶瓷、化工、粮食等工业部门的理想设备,并可用于各种料仓、料斗、溜槽的仓壁振动,以防止物料滞留,促使物料快速运动。有着极其广泛的应用范围。

YGD振动电机主要特点:
1.使用寿命长,只需定期维护轴承。
2.因利用平稳的回转产生振动,噪声低。
3.激振力与出力配合适当,机体质量轻、体积小。
4.可多机组合成各种振动形式,以完成各种作业要求。
5.全封闭结构,可在任何无防爆要求的粉尘条件下工作。 
6.只需调节两端外侧的偏心块,使之与内侧偏心块形成一定的夹角,就可无级调整激振力。
7.电机的设计可随需要做适当的调整,以适用于特殊的环境:660V或60HZ特殊电压及电源频率,气温极高或极低的工作场所、防尘防水要求较高的场所、地处海拔较高的场所等。

YGD振动电机是机座联体电机,密封性能高于普通振动电机

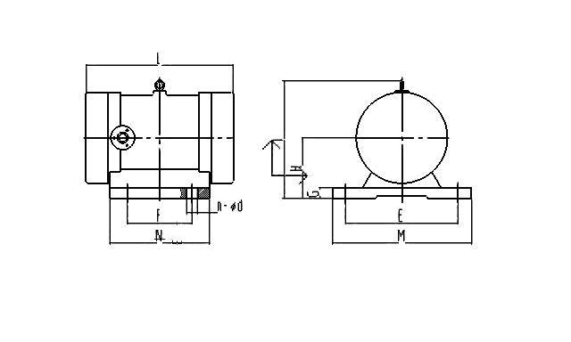
 YGD振动电机安装图:

 

YGD振动电机技术参数 :

型号激振力(KN)功率(kw)电流(A)振频(r/min)安装尺寸重量 Kg
FGHILMNnφd
YGD-1.5-21.50.120.36300013080198020024016411841213
YGD-2.5-22.50.220.6613080198020024016411841214
YGD-3-230.250.7515090219022025018512441420
YGD-5-250.371.1115090219022027018512441421
YGD-10-2100.752.251801102711223833522515541831
YGD-15-2151.13.32201403212526537027219042247
YGD-20-2201.54.52601504014032045234423442668
YGD-30-2302.26.631017057170365505400270433107
YGD-50-2503.711.135022052200425600450313439210
YGD-1.0-410.090.27150013080198020024516411841213
YGD-1.5-41.50.120.3613080198020024016411841216
YGD-3-430.180.5415090219022026018512441422
YGD-5-450.250.751801102711223833522515541832
YGD-10-4100.551.652201403212526537027219042249
YGD-15-4150.752.252601504214032045234423442676
YGD-20-4201.13.32601504214032045234423442682
YGD-30-4301.54.531017057170365505400270433117
YGD-50-4502.26.635022033190425600450313433219
YGD-75-4753.711.138025035220500670480350439360
YGD-1.5-61.50.120.36100015090219022027018512441422
YGD-3-630.250.751801102711223833522515541835
YGD-5-650.371.112201403212526537027219042250
YGD-10-6100.752.252601504214032045234423442682
YGD-15-6151.13.331017057170365505400270433125
YGD-20-6201.54.531017057170365505400270433130
YGD-30-6302.26.635022033190425600450313439190
YGD-40-6403935022035190425600450313439190
YGD-50-6503.711.138025035210465670480350445300
YGD-75-6755.516.544025035220500730480350445400
YGD-100-61007.522.544028040240550750570450445420
YGD-125-61258.525.544028040240550750570450445468

YD振动电机的应用:

1.       广泛应用于矿山、冶金、煤炭、建材、耐火材料、粮食等行业领域。

2.       应用于旋振筛分机、振动混料机等等

3.       适用于颗粒状的干式筛分及料浆过滤。

4.       可广泛用陶瓷、石墨等行业制粉。

5.       可供磨料化工等行业中的干式粉状筛分。

 


公司优势
01
源头厂家
Source manufacturer

新乡宏达振动,近二十年发展,九千平基地。多台高精设备,人才完备。率先设备一体化,自主生产结合激振器,行业雄厚实力。

02
量身定制
Tailored

精英设计团队,技术创新不止。依客户需定制,参数契合精准。独特激振融合,自主研发,匠心铸就专业。

03
品质保障
R&D

严格工序管控,CCC 认证加持。品质检测精细,成品精密测试。源头生产降本,品质优且价实,高性价比赢市场。

应用领域
冶金行业
医疗卫生
电力行业
装备制造
石油化工
返回顶部